Kogelgeleider KA 4532 AM Silent System - 35kg - 65cm - OPL

Kogelgeleider KA 4532 AM Silent System - 35kg - 65cm - OPL
Kogelgeleider KA 4532 AM Silent System - 35kg - 65cm - OPL
Kogelgeleider KA 4532 AM Silent System - 35kg - 65cm - OPL

Per paar

Artikelnummer17-10-9114560
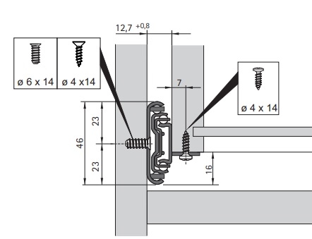
Kogelgeleider KA 4532 AM Silent System, 12,7 mm inbouwbreedte
- Lengte 650mm
- Minimale kastdiepte 654mm
- Inbouwbreedte links en rechts 12,7mm
- Per paar belastbaar tot 35kg
- Volledig uitschuifbaar
- opliggende montage

54.21 *Prijs is inclusief 21% btw
Kogelgeleider KA 4532 AM Silent System, 12,7 mm inbouwbreedte

Opliggende montage

Geïntegreerde demping Silent System. Met behulp van een ontgrendelingshefboom kan de schuiflade van de ladegeleider worden gescheiden en kan dus probleemloos worden uitgenomen en weer ingezet
Soepele loop en goede zijdelingse stabiliteit door exacte ladegeleider. Voor houten schuifladen en plateaus. Verzinkt staal, blauw gepassiveerd.