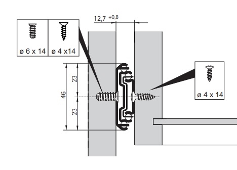
Kogelgeleider KA 4532 Silent System zijwandmontage

Kogelgeleider KA 4532 Silent System, 12,7 mm inbouwbreedte voor zijwandmontage